欢迎光临韩国DANHI丹海气动元件-快排阀-蒸汽压力开关-锅炉压力开关-油雾器官方网站!
语言选择: 中文版 ∷  英文版

其它进口元件

  • RECTUS利达时快速接头

RECTUS利达时快速接头

  • 13系列,20系列,21系列,25系列,26系列,27系列

  • 在线订购

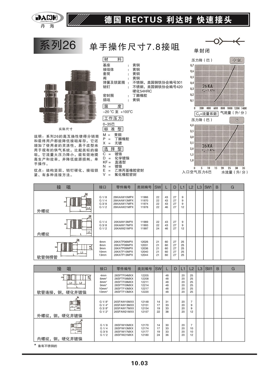
德国RECTUS利达时快速接头,快插公母接头。RECTUS 快速接头 利达时接头系德国较大的金属快速接头制造商,产品适用于压缩空气、各种流体、强酸及强碱液体、油及海水等。RECTUS 快速接头 利达时接头系列产品有:13系列 单手操作尺寸7.5接头,20系列单手操作尺寸2.7接头,21系列 单手操作尺寸5接头,25系列 单手操作尺寸7.8接头,26系列 单手操作尺寸7.8接头,RECTUS 快速接头 利达时接头27系列 单手操作尺寸10接头,AK13系列长嘴型吹风qiang,AL13系列高流量型吹风qiang,AN13系列轻巧型吹风qiang。


联系我们

公 司:韩国DANHI丹海气动元件-快排阀-蒸汽压力开关-锅炉压力开关-油雾器

联系人:王生

电话:0311-83075556/7/8

手机:13303030386

E-mail:danhi@qq.com

地 址:河北省石家庄市长安区翟营北大街51号丹海(DANHI)